JIS 7334B Marine Angle Type Fire Hydrant Valve
Materials of main parts
Body material: Bronze
Seat material: NBR
Disc material: Brass
Stem material: Brass
Bonnet material: Brass
Hand wheel: Cast Iron
Overview
Application:
Primarily used in shipboard Fire Protection Systems, it controls the flow of fresh or seawater to ensure rapid response during emergencies.
Bronze material offers excellent resistance to seawater corrosion, making it suitable for marine environments.
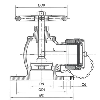
Drawing:

Data sheet:
Standard | FF:L(mm) | OD:D(mm) | PCD:C(mm) | Weight(KG) |
JIS F7334B 10K40 | 124 | 140 | 105 | 8.2 |
JIS F7334B 10K50 | 160 | 155 | 120 | 14.3 |
JIS F7334B 10K65 | 180 | 175 | 140 | 23 |
