JIS F7356 Bronze Lift Check Valve
Material of Main Parts:
Body material: Bronze
Disc material: Bronze
Bonnet material: Bronze
Overview
Operation:
The valve disc moves vertically within the valve body, relying on its own weight and the backflow pressure of the medium to achieve rapid closure, thereby preventing backflow.
The valve disc typically features a precision guide rod or engages with a guide sleeve on the bonnet, ensuring accurate centring of the sealing surfaces during closure. This guarantees reliable sealing and minimises uneven wear.
Check valves must be installed horizontally (with the valve stem in a vertical position), otherwise the disc cannot effectively reset under its own weight.
Compared to valves of the same pressure rating conforming to American or Chinese standards, Japanese standard valves often feature a more compact structure and relatively lighter weight, saving space – a critical consideration for marine applications.
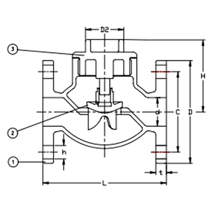
Drawing:

Datasheet:
Size | L | D | C | No. | h | t | H | D2 |
15 | 100 | 80 | 60 | 4 | 12 | 9 | 72 | 35 |
20 | 100 | 85 | 65 | 4 | 12 | 10 | 78 | 37 |
25 | 120 | 95 | 75 | 4 | 12 | 10 | 77 | 41 |
32 | 140 | 115 | 90 | 4 | 15 | 12 | 81 | 41 |
40 | 160 | 120 | 95 | 4 | 15 | 12 | 91 | 46 |
